Ucyfrowienie lokomotywy- różne funkcje świateł-wybór dekodera

Prąd i elektronika na makiecie

Moderator: mod-Elektryka i DCC

ODPOWIEDZ
Awatar użytkownika
ArturSchŁ
Administrator
Posty: 10954
Rejestracja: 09 kwie 2006, 07:22
Lokalizacja: Rumia
Kontakt:

Re: Ucyfrowienie lokomotywy- różne funkcje świateł-wybór dekodera

Post autor: ArturSchŁ »

ZIMO oferuje dekodery z poszerzonym zakresem stanów świateł lokomotywy pod różnymi Fn (na 6-10 wyjść AUX):
Obrazek
The purpose of the "Swiss mapping" is to switch the various states of the locomotive lighting with different function keys, i.e. for situations like driving a single locomotive, cars coupled on driver’s cab 1, or at the driver's cab 2, push-pull, shunting, etc. ZIMO decoders offer between 6 and 10 function outputs (with the exception of a few miniature decoders), large-scale decoders even more. The desired lighting states are defined by a total of 17 CV groups, each group containing 6 CV’s. The principle is simple in itself, in that the first CV of each group contains the number (1 to 28) for a function key F1 .. F28, and the other CVs define which function outputs are to be switched on when pressing this key, each dependent on the direction of travel.
  • jazda luzakiem,
    wagony podłączone od strony kabiny 1 lub 2,
    push-pull,
    manewry
w zależności od kierunku jazdy.
Więcej.

[dopisane:]
Fragment z instrukcji (s.27) ZIMO na ten temat:
1.jpg
2.jpg
Wojtek_Kraków
Posty: 1614
Rejestracja: 12 sie 2016, 09:11
Lokalizacja: Kraków
Kontakt:

Re: Ucyfrowienie lokomotywy- różne funkcje świateł-wybór dekodera

Post autor: Wojtek_Kraków »

ArturSchŁ pisze:Przypadek ??
Pewnie nie.
Nawet na pewno!!!
:)

Tylko chwilę mi zajęło zanim dokopałem się do potrzebnej wiedzy.
Ale i tak chciałbym kiedyś z kimś na żywo posiedzieć i pogadać o tych wszystkich CVkach co by mi pokazał co one robią itd bo czytać to se można ale ja to manualny i naoczny jestem:)

Ale jeszcze raz wszystkim za pomoc dziękuję:)
Awatar użytkownika
ArturSchŁ
Administrator
Posty: 10954
Rejestracja: 09 kwie 2006, 07:22
Lokalizacja: Rumia
Kontakt:

Re: Ucyfrowienie lokomotywy- różne funkcje świateł-wybór dekodera

Post autor: ArturSchŁ »

Czyli zrealizowałeś dokładnie to, o czym pisałem w drugim poście. :shock:
Przypadek ??
:mrgreen:
Wojtek_Kraków
Posty: 1614
Rejestracja: 12 sie 2016, 09:11
Lokalizacja: Kraków
Kontakt:

Re: Ucyfrowienie lokomotywy- różne funkcje świateł-wybór dekodera

Post autor: Wojtek_Kraków »

No!
Jesteśmy chyba w domu:)
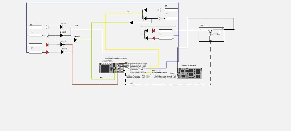
Po konsultacjach z Wielkim Elektronikiem Elvisem (za co mu również bardzo dziękuję) udało się stworzyć taki o to układ:
nowy schemat.jpg
Nie wiedziałem wcześniej o mocy małego tranzystorka BCR512, którym to można z wyjść logicznych zrobić normalne wyjście funkcyjne.
Możliwe że w układ wstawię jeszcze kondensator do potrzymania napięcia. Pójdzie między niebieski + a masę dekodera.

Obecnie osiągnąłem (również dzięki wam) to co chciałem czyli
Oświetlenie tył/przód - zależne od kierunku
Oświetlenie manewrowe po prawej
Oświetlenie czerwone włączane F2 i F3 (może jeszcze ustawię żeby kierunek żeby przez przypadek się nie zapaliło w niewłaściwą stronę)
Przygaszenie światełek.

Mam nadzieję że ten schemacik się komuś przyda.
Układ działa. Dekoder nie sfajczył się :)
Pozdrawiam
WF
Wojtek_Kraków
Posty: 1614
Rejestracja: 12 sie 2016, 09:11
Lokalizacja: Kraków
Kontakt:

Re: Ucyfrowienie lokomotywy- różne funkcje świateł-wybór dekodera

Post autor: Wojtek_Kraków »

Na razie zmontowałem układ Rangera bo wydawało mi się że w Twoim nie mogę wyłączyć czerwonych świateł.
Awatar użytkownika
wicy
Posty: 1710
Rejestracja: 23 mar 2014, 08:27
Lokalizacja: Łódź
Kontakt:

Re: Ucyfrowienie lokomotywy- różne funkcje świateł-wybór dekodera

Post autor: wicy »

A jak ostatecznie wygląda układ?
Wojtek_Kraków
Posty: 1614
Rejestracja: 12 sie 2016, 09:11
Lokalizacja: Kraków
Kontakt:

Re: Ucyfrowienie lokomotywy- różne funkcje świateł-wybór dekodera

Post autor: Wojtek_Kraków »

Witam ponownie!

Układ zmontowany. Wszystko pięknie działa oprócz jednej rzeczy.
Mianowicie pali się cały czas jedna para czerwonych diód - tam gdzie jest podpięte F3.
Włączanie "3" na myszce powoduje tylko lekkie ich przygaszenie.

Reszta działa super.
Przeczytałem sobie instrukcje dekodera o adresach i jakie mają mieć wartości.
Popróbowałem z CV129,37 ale zmiany nic nie dały więc wróciłem do wartości "fabrycznych".

Jakie waszym cv zmienić i na jaką wartość?
Awatar użytkownika
Ranger
Posty: 3957
Rejestracja: 05 paź 2006, 00:02
Lokalizacja: Lublin
Kontakt:

Re: Ucyfrowienie lokomotywy- różne funkcje świateł-wybór dekodera

Post autor: Ranger »

A jak ma F3 i F4 to ok. Myślałem że to dekoder gorszego standardu.
Wojtek_Kraków
Posty: 1614
Rejestracja: 12 sie 2016, 09:11
Lokalizacja: Kraków
Kontakt:

Re: Ucyfrowienie lokomotywy- różne funkcje świateł-wybór dekodera

Post autor: Wojtek_Kraków »

Wydaje mi się że nie bo susi opisane jest jako F5 i F6.
Na poprzedniej stronie wkleiłem fragment z instrukcji.
Możesz luknąć i mnie utwierdzić?
Awatar użytkownika
Ranger
Posty: 3957
Rejestracja: 05 paź 2006, 00:02
Lokalizacja: Lublin
Kontakt:

Re: Ucyfrowienie lokomotywy- różne funkcje świateł-wybór dekodera

Post autor: Ranger »

Jeśli pod F3 i F4 jest SUSI to nie.
Wojtek_Kraków
Posty: 1614
Rejestracja: 12 sie 2016, 09:11
Lokalizacja: Kraków
Kontakt:

Re: Ucyfrowienie lokomotywy- różne funkcje świateł-wybór dekodera

Post autor: Wojtek_Kraków »

Ranger pisze:Dekoder musi mieć trzy wolne funkcje, F1-F3. F1 dajesz z obu stron do manewrowych a F2 i F3 do czerwonych z każdej strony.
Uhm.
Czyli tak jak myślałem jedyne co mnie nurtowało to czy w tym dekoderze mx623 mogę podpiąć czerwone pod F3 skoro jest opisane jako wyjście logiczne?
Awatar użytkownika
Ranger
Posty: 3957
Rejestracja: 05 paź 2006, 00:02
Lokalizacja: Lublin
Kontakt:

Re: Ucyfrowienie lokomotywy- różne funkcje świateł-wybór dekodera

Post autor: Ranger »

to jest błędna interpretacja. Nie możesz połączyć funkcji na krzyż. Spowoduje to niekontrolowane zapalanie się świateł.
Dekoder musi mieć trzy wolne funkcje, F1-F3. F1 dajesz z obu stron do manewrowych a F2 i F3 do czerwonych z każdej strony.
Dekoder musi być tak zaprogramowany aby przy włączaniu czerwonych F2 i F3 automatycznie włączało czerwone po stronie przeciwnej do białych. Da się tak zrobić bo to praktykuję w swoich lokach.
Wojtek_Kraków
Posty: 1614
Rejestracja: 12 sie 2016, 09:11
Lokalizacja: Kraków
Kontakt:

Re: Ucyfrowienie lokomotywy- różne funkcje świateł-wybór dekodera

Post autor: Wojtek_Kraków »

Ranger pisze:Podłączenie jest prawie ok. Nie możesz tylko sparować czerwonych po obu stronach bo się będą palić razem. Leszek Wala - Elvis zaprogramuje Ci dekoder w odpowiedni sposób i oznaczy przewody. Kolory kabli nie zgadzają się z norma NEM. Na dekoderze masz opis który przewód gdzie.
Czyli F1 z jednej płytki sparować z F2 z drugiej płytki ina odwrót?

Kolory obwodów są inne bo ciężko zaznaczyć biały kabel na biały tle.;)
Awatar użytkownika
Ranger
Posty: 3957
Rejestracja: 05 paź 2006, 00:02
Lokalizacja: Lublin
Kontakt:

Re: Ucyfrowienie lokomotywy- różne funkcje świateł-wybór dekodera

Post autor: Ranger »

Podłączenie jest prawie ok. Nie możesz tylko sparować czerwonych po obu stronach bo się będą palić razem. Leszek Wala - Elvis zaprogramuje Ci dekoder w odpowiedni sposób i oznaczy przewody. Kolory kabli nie zgadzają się z norma NEM. Na dekoderze masz opis który przewód gdzie.
Awatar użytkownika
wicy
Posty: 1710
Rejestracja: 23 mar 2014, 08:27
Lokalizacja: Łódź
Kontakt:

Re: Ucyfrowienie lokomotywy- różne funkcje świateł-wybór dekodera

Post autor: wicy »

Wojtek_Kraków pisze: Wychodzi z niego 7 kabli.
Czy zatem wyjścia funkcyjne F1/F2/F3/F4 są tam gdzie zaznaczyłem strzałkami i czy są to miejsca przylutowania kabli ?
Tak jak zaznaczone. To pady do lutowania kabli albo nóg złącza.
Wojtek_Kraków pisze:Jeśli chciałbym zastosować MX622 to schemat, który zaproponowałeś należałoby połączyć z dekoderem następująco?:
Z ciekawości jakie Wicy dałeś u siebie rezystory? 1K i 680.
Schemat wygląda poprawnie.
Rezystory dałem 1,2k na diodę.
ODPOWIEDZ

Wróć do „Elektryka i DCC”

Kto jest online

Użytkownicy przeglądający to forum: Obecnie na forum nie ma żadnego zarejestrowanego użytkownika i 1 gość