Ucyfrowienie lokomotywy- różne funkcje świateł-wybór dekodera
Moderator: mod-Elektryka i DCC
-
- Posty: 1614
- Rejestracja: 12 sie 2016, 09:11
- Lokalizacja: Kraków
- Kontakt:
Re: Ucyfrowienie lokomotywy- różne funkcje świateł-wybór dekodera
Trochę jeszcze nad tym myślałem i mam jeszcze kilka pytań.
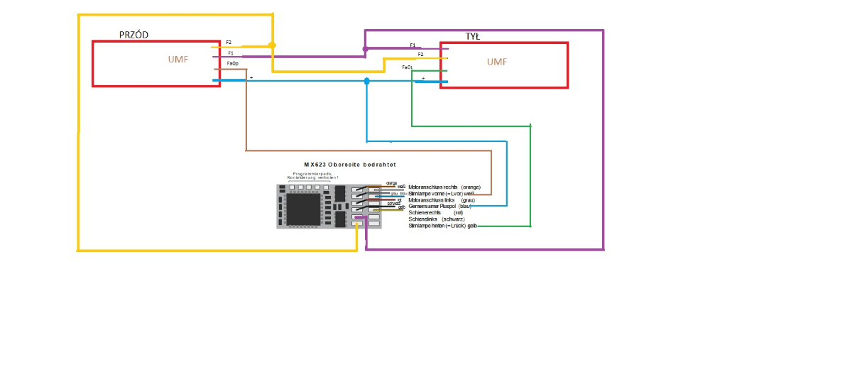
Po pierwsze odnośnie dekodera MX623R.
Wychodzi z niego 7 kabli.
Czy zatem wyjścia funkcyjne F1/F2/F3/F4 są tam gdzie zaznaczyłem strzałkami i czy są to miejsca przylutowania kabli ?
Po drugie - tu bardziej do Rangera- czy gdybym chciał użyć mx623r, to Twoje płytki musiałbym połączyć jak na schemacie poniżej?
I Pytanie do Wicy.
Jeśli chciałbym zastosować MX622 to schemat, który zaproponowałeś należałoby połączyć z dekoderem następująco?:
Wolę zapytać dwa razy zanim puszczę 100 zł z dymem;)
Z ciekawości jakie Wicy dałeś u siebie rezystory? 1K i 680.
Bo widzę że Ranger u siebie na płytce wlutował 8.25K
pozdrawiam
WF
Po pierwsze odnośnie dekodera MX623R.
Wychodzi z niego 7 kabli.
Czy zatem wyjścia funkcyjne F1/F2/F3/F4 są tam gdzie zaznaczyłem strzałkami i czy są to miejsca przylutowania kabli ?
Po drugie - tu bardziej do Rangera- czy gdybym chciał użyć mx623r, to Twoje płytki musiałbym połączyć jak na schemacie poniżej?
I Pytanie do Wicy.
Jeśli chciałbym zastosować MX622 to schemat, który zaproponowałeś należałoby połączyć z dekoderem następująco?:
Wolę zapytać dwa razy zanim puszczę 100 zł z dymem;)
Z ciekawości jakie Wicy dałeś u siebie rezystory? 1K i 680.
Bo widzę że Ranger u siebie na płytce wlutował 8.25K
pozdrawiam
WF
-
- Posty: 1614
- Rejestracja: 12 sie 2016, 09:11
- Lokalizacja: Kraków
- Kontakt:
Re: Ucyfrowienie lokomotywy- różne funkcje świateł-wybór dekodera
Dzięki chłopaki.
To mi trochę wyjaśnia.
Postaram się coś z tego wymodzić dla siebie.

To mi trochę wyjaśnia.
Postaram się coś z tego wymodzić dla siebie.

- drlukasz
- Posty: 1041
- Rejestracja: 09 kwie 2006, 10:03
- Lokalizacja: Częstochowa
- Kontakt:
Re: Ucyfrowienie lokomotywy- różne funkcje świateł-wybór dekodera
W Zimo przyciemnienie świateł można zrobić bez angażowania dodatkowych wyjść. Strona 29 instrukcji.
- wicy
- Posty: 1710
- Rejestracja: 23 mar 2014, 08:27
- Lokalizacja: Łódź
- Kontakt:
Re: Ucyfrowienie lokomotywy- różne funkcje świateł-wybór dekodera
Miałem na myśli taki mniej więcej schemat:
https://www.youtube.com/watch?v=Wb0owRABlx0
Na tył poszła płytka z czterema ledami, opornikami i diodą. Płytka dopasowana do wewnętrznego kształtu tylnej ścianki tendra.
Oświetlenie przednie przez stare światłowody, z tym że w miejscu żarówki również płytka z ledami - po parze na każdy światłowód.
Dekoder Zimo 622 wciśnięty w miejsce obciążnika w tendrze.
W Br56 BTTB jest niemal identycznie.
Bawiłem się w oświetlenie DCC dla Br86 BTTB. To prawie to samo co Br56. https://www.youtube.com/watch?v=Wb0owRABlx0
Na tył poszła płytka z czterema ledami, opornikami i diodą. Płytka dopasowana do wewnętrznego kształtu tylnej ścianki tendra.
Oświetlenie przednie przez stare światłowody, z tym że w miejscu żarówki również płytka z ledami - po parze na każdy światłowód.
Dekoder Zimo 622 wciśnięty w miejsce obciążnika w tendrze.
W Br56 BTTB jest niemal identycznie.
- Ranger
- Posty: 3957
- Rejestracja: 05 paź 2006, 00:02
- Lokalizacja: Lublin
- Kontakt:
Re: Ucyfrowienie lokomotywy- różne funkcje świateł-wybór dekodera
Mam takie coś, zrobiłem sam.
Każda dioda z jednej strony jest osłonięta rezystorem, z drugiej dioda prostowniczą. Układ pozwala na wyświetlanie świateł białych, czerwonych i manewrowych oddzielnie włączanych.
Dekoder podłączasz pod cztery wejścia. Jedno po wspólna masę, drugie to Fa0p/Fa0t, trzecie Fa1, czwartek Fa2.
Fa1 masz mieć zmapowane tak aby czerwone wyświetlało po stronie przeciwnej do białych.
Płytka ma wymiary 17x10,5mm. W lokomotywie potrzeba po jednak płytce na każda stronę.
Każda dioda z jednej strony jest osłonięta rezystorem, z drugiej dioda prostowniczą. Układ pozwala na wyświetlanie świateł białych, czerwonych i manewrowych oddzielnie włączanych.
Dekoder podłączasz pod cztery wejścia. Jedno po wspólna masę, drugie to Fa0p/Fa0t, trzecie Fa1, czwartek Fa2.
Fa1 masz mieć zmapowane tak aby czerwone wyświetlało po stronie przeciwnej do białych.
Płytka ma wymiary 17x10,5mm. W lokomotywie potrzeba po jednak płytce na każda stronę.
-
- Posty: 1614
- Rejestracja: 12 sie 2016, 09:11
- Lokalizacja: Kraków
- Kontakt:
Re: Ucyfrowienie lokomotywy- różne funkcje świateł-wybór dekodera
Wicy co masz na myśli pisząc diodę zwykłą?wicy pisze: Co do samej idei, rysunek poprawny, ale zużywa aż 6 wyjść funkcyjnych.
Pokombinuj np. tak, by między brązowym a żółtym wstawić diodę (zwykłą).
Jeśli mam ją wpiąć między te ścieżki to w którym kierunku ?
Możesz ewentualnie wrysować to w schemat?
Jeśli na tej płytce nie ma jakieś cudów to można ją samemu zrobić.tydzial pisze:Takie płytki gotowe ma w ofercie "Ranger"ale ta płytka nie wejdzie do twojego parowozu.
Trzeba tylko wiedzieć co tam jest.
- wicy
- Posty: 1710
- Rejestracja: 23 mar 2014, 08:27
- Lokalizacja: Łódź
- Kontakt:
Re: Ucyfrowienie lokomotywy- różne funkcje świateł-wybór dekodera
Co do samej idei, rysunek poprawny, ale zużywa aż 6 wyjść funkcyjnych.Wojtek_Kraków pisze: A być może na takiej płytce ma się znaleźć np taki obwód:
schemat.jpg
Kolorami na razie się nie sugerujmy. Są tylko po to aby się nie pomylić.
Pokombinuj np. tak, by między brązowym a żółtym wstawić diodę (zwykłą). Wtedy na jednym Fn masz oba białe, na drugim Fn białe manewrowe. To samo między szarym a zielonym.
Jeśli zepniesz tak prawą stronę z lewą (zielony z zółtym i fioletowy z czerwonym), dasz to na F0f i F0r, to zmieścisz się na 3-4 wyjściach funkcyjnych.
Kup dowolny Zimo 4 funkcyjny bez wtyczek - z kablami. Podepnij do tego diody w pająku (obciąż wyjścia na silnik silnikiem


Przyciemnianie świateł też w Zimo działa programowo w dekoderze, więc nie trzeba do tego osobnego Fn.
- ArturSchŁ
- Administrator
- Posty: 10954
- Rejestracja: 09 kwie 2006, 07:22
- Lokalizacja: Rumia
- Kontakt:
Re: Ucyfrowienie lokomotywy- różne funkcje świateł-wybór dekodera
Nie ma tak pięknie....Wojtek_Kraków pisze:A być może na takiej płytce ma się znaleźć np taki obwód:
To co narysowałeś spełnia najprostszy wariant: po naciśnięciu Fn - zapala się i gasi któryś LED, a Ty:
"- żeby można było przygasić światła "
Czyli nie ON/OFF, tylko jak jest ON, to chcemy 1/2 ON

"- włączyć/wyłączyć światła czerwone "
Tylko, że czerwone (i białe) mamy już podpięte pod wyjście F0 (kable biały i żółty), więc bez specjalnego układu kluczy (tranzystorów) nie uda się zrealizować takiej logiki.
"- włączyć światła po jednej stronie podczas manewrów. "
Jak wyżej.
Dekoder to prosta skrzynka realizującą jedynie prostą funkcję:
- naciśnięcie Fn = wyjście mu przypisane zmiana stanu OFF na ON,
- drugi raz Fn = wyście z ON na OFF.
Jedynie F0 jest szczególne, bo stan wyjść jest zależny od kierunku jazdy.
Czyli np przygaszenie świateł jest zależne od F0 i powiedzmy np F1
F0=OFF, niezależne od F1 światła nie palą,
F0=ON, F1=ON -> światła przygaszane (1/2),
F0=ON, F1=OFF -> światła normalne (1/1)
..no i teraz pokombuinuj jak to zrealizować.


Tak na szybko rysunek:
- tydzial
- Posty: 892
- Rejestracja: 21 sty 2007, 21:14
- Lokalizacja: Szczecin Pogodno
- Kontakt:
Re: Ucyfrowienie lokomotywy- różne funkcje świateł-wybór dekodera
Nie do każdej loki da się upchnąć każdy dekoder coś za coś.To co sugeruje Artur można upchnąć jedynie w SM42 lub większe które mają więcej miejsca. Jak na razie nie ma takich dekoderów które by sprostały Twoim wymogom.Takie płytki gotowe ma w ofercie "Ranger"ale ta płytka nie wejdzie do twojego parowozu.
-
- Posty: 1452
- Rejestracja: 28 sty 2013, 17:25
- Lokalizacja: Białystok
- Kontakt:
-
- Posty: 1614
- Rejestracja: 12 sie 2016, 09:11
- Lokalizacja: Kraków
- Kontakt:
Re: Ucyfrowienie lokomotywy- różne funkcje świateł-wybór dekodera
Dobra to pytanie od drugiej strony.ArturSchŁ pisze:Gotowych rozwiazań, na Twoje oczekiwania to nie ma. Jeśli funkcjonalność (to co chcesz uzyskać) jest identyczne z projektami kolegów, to może się Tobie uda dobrać płytkę zastosowaną np w SM42, ale na pewno jej wymiary nie bedą pasować do miejsca, którym Ty dysponujesz, bo to inna konstrukcja loki.
Co taka płytka robi?
Czy to jest tylko laminat z obwodem ścieżek gdzie możemy wlutować gniazdo dekodera,oporniki dla ledów ewentualnie kondensator dla potrzymania napięcia czy jeszcze ma jakieś dodatkowe podzespoły elektroniczne, które np uruchamiają wybrane funkcje?
A być może na takiej płytce ma się znaleźć np taki obwód: Kolorami na razie się nie sugerujmy. Są tylko po to aby się nie pomylić.
To już robiłem. Tylko po prostu ilość informacji tam zawarta jak na razie mnie przerasta.ArturSchŁ pisze:Ano bierzesz PDFy od dekoderów (np Zimo) i patrzysz jakie mają parametry, gniazda/kabelki itd.
Tak jak wspominałem jestem mocno początkujący w DCC.
Spróbuję coś wybrać i najwyżej zapytam o poradę czy taki dekoder będzie ok.
Być może moje pytania są głupie, nieprofesjonalne i irytujące, ale po prostu staram się to trochę zrozumieć.
Added in 31 minutes 27 seconds:
Do powyższego posta dwa pytania
Czy Zimo MX623P12 lub Zimo MX623R się nada?
Jaka jest różnica między tymi dekoderami oprócz ceny, ilości pinów i że jeden ma "nóżki" do gniazda a drugi ma gniazdo na kablu?
Bo jak porównałem opisy na http://shop.dcc24.eu to są dokładnie takie same.
Pozdrawiam
WF
- ArturSchŁ
- Administrator
- Posty: 10954
- Rejestracja: 09 kwie 2006, 07:22
- Lokalizacja: Rumia
- Kontakt:
Re: Ucyfrowienie lokomotywy- różne funkcje świateł-wybór dekodera
Gotowych rozwiazań, na Twoje oczekiwania to nie ma. Jeśli funkcjonalność (to co chcesz uzyskać) jest identyczne z projektami kolegów, to może się Tobie uda dobrać płytkę zastosowaną np w SM42, ale na pewno jej wymiary nie bedą pasować do miejsca, którym Ty dysponujesz, bo to inna konstrukcja loki.Wojtek_Kraków pisze:Taką płytkę można zakupić czy trzeba samemu wytrawić?
Ano bierzesz PDFy od dekoderów (np Zimo) i patrzysz jakie mają parametry, gniazda/kabelki itd.Wojtek_Kraków pisze:Czy możesz polecić jakiś konkretny dekoder?
-
- Posty: 1614
- Rejestracja: 12 sie 2016, 09:11
- Lokalizacja: Kraków
- Kontakt:
Re: Ucyfrowienie lokomotywy- różne funkcje świateł-wybór dekodera
Możesz rozwinąć myśl?ArturSchŁ pisze:Musisz mieć dekoder z co najmniej 3 wyjściami AUX (uniwersalne) + specjalizowaną płytkę.
Taką płytkę można zakupić czy trzeba samemu wytrawić?
Czy możesz polecić jakiś konkretny dekoder?
Narysowałem pewien schemat elektroniczny (na razie tylko na papierze), ale już coś czuję że trzeba będzie go poprawić.
PS Dzięki za odzew w temacie.
- ArturSchŁ
- Administrator
- Posty: 10954
- Rejestracja: 09 kwie 2006, 07:22
- Lokalizacja: Rumia
- Kontakt:
Re: Ucyfrowienie lokomotywy- różne funkcje świateł-wybór dekodera
Musisz mieć dekoder z co najmniej 3 wyjściami AUX (uniwersalne) + specjalizowaną płytkę.Wojtek_Kraków pisze:Chciałbym aby w lokomotywie można było:
- włączyć/wyłączyć światła - w zależności od kierunku jazdy [F0]
- żeby można było przygasić światła [dodatkowa Fn]
- włączyć/wyłączyć światła czerwone [dodatkowa Fn]
- włączyć światła po jednej stronie podczas manewrów. [dodatkowa Fn]
-
- Posty: 1614
- Rejestracja: 12 sie 2016, 09:11
- Lokalizacja: Kraków
- Kontakt:
Ucyfrowienie lokomotywy- różne funkcje świateł-wybór dekodera
Koledzy mam do was prośbę.
Naczytałem się o DCC, dekoderach, funkcjach, itd i chyba za dużo informacji na raz bo przestałem rozumieć cokolwiek
Dopiero co wchodzę w cyfryzację małej kolei.
W związku z tym że przebudowuję BR56 na Tr6 ( http://forumtt.pl/viewtopic.php?f=7&t=1 ... ead#unread) planuje też ucyfrowienie.
Chciałbym aby w lokomotywie można było:
- włączyć/wyłączyć światła - w zależności od kierunku jazdy
- żeby można było przygasić światła
- włączyć/wyłączyć światła czerwone
- włączyć światła po jednej stronie podczas manewrów.
Pytania które mnie nurtują:
- jaki dekoder wybrać, ilu funkcyjny
- jak powinien wyglądać schemat elektroniczny (planuje zrobić płytkę drukowaną i wsadzić do tendra)
- jak to zaprogramować? A może te konkretne funkcje już są "wgrane" do dekodera
Jeśli ktoś może mi rozjaśnić nieco w głowie to będę wdzięczny.
Pozdrawiam
WF
Naczytałem się o DCC, dekoderach, funkcjach, itd i chyba za dużo informacji na raz bo przestałem rozumieć cokolwiek

Dopiero co wchodzę w cyfryzację małej kolei.
W związku z tym że przebudowuję BR56 na Tr6 ( http://forumtt.pl/viewtopic.php?f=7&t=1 ... ead#unread) planuje też ucyfrowienie.
Chciałbym aby w lokomotywie można było:
- włączyć/wyłączyć światła - w zależności od kierunku jazdy
- żeby można było przygasić światła
- włączyć/wyłączyć światła czerwone
- włączyć światła po jednej stronie podczas manewrów.
Pytania które mnie nurtują:
- jaki dekoder wybrać, ilu funkcyjny
- jak powinien wyglądać schemat elektroniczny (planuje zrobić płytkę drukowaną i wsadzić do tendra)
- jak to zaprogramować? A może te konkretne funkcje już są "wgrane" do dekodera
Jeśli ktoś może mi rozjaśnić nieco w głowie to będę wdzięczny.
Pozdrawiam
WF
Kto jest online
Użytkownicy przeglądający to forum: Obecnie na forum nie ma żadnego zarejestrowanego użytkownika i 1 gość